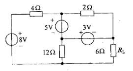
电路如图所示,用叠加定理求电阻RL消耗的功率为:A. 1/24W B. 3/8WC. 1/8W D. 12W

作者: rantiku 人气: - 评论: 0
问题 电路如图所示,用叠加定理求电阻RL消耗的功率为: A. 1/24W B. 3/8W C. 1/8W D. 12W
选项
答案 A
解析 提示:先将RL以外电路化简后,再求RL消耗的功率。

猜你喜欢

发表评论
更多 网友评论0 条评论)
暂无评论

访问排行

Copyright © 2012-2014 恰考网 Inc. 保留所有权利。 Powered by tikuer.com

页面耗时0.0359秒, 内存占用1.03 MB, Cache:redis,访问数据库20次