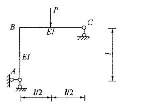
图示结构中,截面B、C间的相对转角等于:

作者: rantiku 人气: - 评论: 0
问题 图示结构中,截面B、C间的相对转角等于:
选项
答案 C
解析 提示:用图乘法求解。

猜你喜欢

发表评论
更多 网友评论0 条评论)
暂无评论

访问排行

Copyright © 2012-2014 恰考网 Inc. 保留所有权利。 Powered by tikuer.com

页面耗时0.0300秒, 内存占用1.03 MB, Cache:redis,访问数据库19次