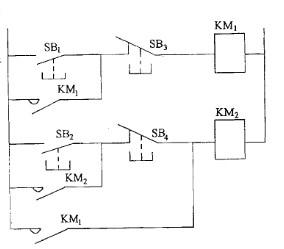
图示的控制电路中,SB为按钮,KM为接触器,若按动SB2,试判断下列哪个结论正确?A.接触器KM2通电动作后,KM1跟着动作B.‘只有接触器K...

作者: rantiku 人气: - 评论: 0
问题 图示的控制电路中,SB为按钮,KM为接触器,若按动SB2,试判断下列哪个结论正确? A.接触器KM2通电动作后,KM1跟着动作 B.‘只有接触器KM2动作 C.只有接触器KM1动作 D.以上答案都不对
选项
答案 B
解析 提示:控制电路图中各个控制电器的符号均为电器未动作时的状态。当有启动按钮按下时,相关电器通电动作,各个控制触点顺序动作。

猜你喜欢

发表评论
更多 网友评论0 条评论)
暂无评论

访问排行

Copyright © 2012-2014 恰考网 Inc. 保留所有权利。 Powered by tikuer.com

页面耗时0.0402秒, 内存占用1.03 MB, Cache:redis,访问数据库20次