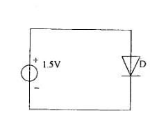
如果把一个小功率二极管直接同一个电源电压为1.5V、内阻为零的电池实行正向连接,电路如图所示,则后果是该管:A.击穿 B.电流为零C.电流正常...

作者: rantiku 人气: - 评论: 0
问题 如果把一个小功率二极管直接同一个电源电压为1.5V、内阻为零的电池实行正向连接,电路如图所示,则后果是该管: A.击穿 B.电流为零 C.电流正常 D.电流过大使管子烧坏
选项
答案 D
解析 提示:由半导体二极管的单向导电性可知,正常工作时硅材料二极管的正向导通电压是0.7V,锗材料二极管的导通电压是0.3V,此题中二极管有1.5V的电压,将引起过大的工作电流使二极管损坏。

猜你喜欢

发表评论
更多 网友评论0 条评论)
暂无评论

访问排行

Copyright © 2012-2014 恰考网 Inc. 保留所有权利。 Powered by tikuer.com

页面耗时0.0410秒, 内存占用1.03 MB, Cache:redis,访问数据库20次