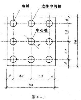
一埋置于黏性土中的摩擦型桩基础,承台下有9根直径为d,长度为z的钻孔灌注粧,承台平面尺寸及桩分布如图4 - 1所示,承台刚度很大,可视为绝对刚性,在竖向中...

作者: rantiku 人气: - 评论: 0
问题 一埋置于黏性土中的摩擦型桩基础,承台下有9根直径为d,长度为z的钻孔灌注粧,承台平面尺寸及桩分布如图4 - 1所示,承台刚度很大,可视为绝对刚性,在竖向中心荷载作用下,沉降均匀,下列对承台下不同位置处桩顶反力估计,( )是正确的。 A.中心桩反力最小,边排中间桩最大,角桩次之 B.中心桩反力最大,边排中间桩次之,角粧反力最小 C.中心桩反力最大,围绕中心四周的8根桩, 反力应相同,数值比中心桩小 D.角桩反力最大,边排中间桩次之,中心桩反力最小
选项
答案 D
解析 摩擦型桩考虑群桩效应,桩端沉降为凹形,又因为可以将承台视为绝对刚性, 所以四角的角桩所受反力最大,从外到里依次减小。

猜你喜欢

发表评论
更多 网友评论0 条评论)
暂无评论

访问排行

Copyright © 2012-2014 恰考网 Inc. 保留所有权利。 Powered by tikuer.com

页面耗时0.0372秒, 内存占用1.03 MB, Cache:redis,访问数据库19次