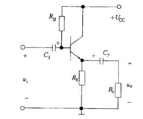
共集电极放大电路如图所示,三极管的输入电阻和电流放大倍数为已知数,该放大器的电压放大倍数表达式为:

作者: rantiku 人气: - 评论: 0
问题 共集电极放大电路如图所示,三极管的输入电阻和电流放大倍数为已知数,该放大器的电压放大倍数表达式为:
选项
答案 D
解析

猜你喜欢

发表评论
更多 网友评论0 条评论)
暂无评论

访问排行

Copyright © 2012-2014 恰考网 Inc. 保留所有权利。 Powered by tikuer.com

页面耗时0.0436秒, 内存占用1.03 MB, Cache:redis,访问数据库19次