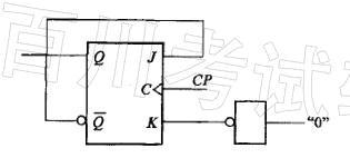
图示电路具有:A.保持功能 B.置“0”功能C.置“1”功能 D.计数功能

作者: rantiku 人气: - 评论: 0
问题 图示电路具有: A.保持功能 B.置“0”功能 C.置“1”功能 D.计数功能
选项
答案 D
解析

猜你喜欢

发表评论
更多 网友评论0 条评论)
暂无评论

访问排行

Copyright © 2012-2014 恰考网 Inc. 保留所有权利。 Powered by tikuer.com

页面耗时0.0477秒, 内存占用1.03 MB, Cache:redis,访问数据库18次