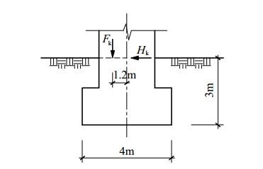
某构筑物其基础底面尺寸为3mX4m,埋深为3m,基础及其上土的平均重度为20kN/m3,构筑物传至基础顶面的偏心荷载Fk=1200kN,距基底中心1.2m...

作者: rantiku 人气: - 评论: 0
问题 某构筑物其基础底面尺寸为3mX4m,埋深为3m,基础及其上土的平均重度为20kN/m3,构筑物传至基础顶面的偏心荷载Fk=1200kN,距基底中心1.2m,水平荷载Hk=200kN,作用位置如图所示。试问,基础底面边缘的最大压力值pkmax,与下列何项数值最为接近? (A) 265kPa (B) 341kPa (C) 415kPa (D) 454kPa
选项
答案 D
解析

猜你喜欢

发表评论
更多 网友评论0 条评论)
暂无评论

访问排行

Copyright © 2012-2014 恰考网 Inc. 保留所有权利。 Powered by tikuer.com

页面耗时0.0411秒, 内存占用1.03 MB, Cache:redis,访问数据库19次