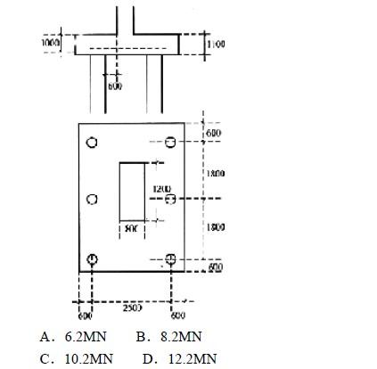
柱下桩基如图:承台混凝土抗压强度fe = 19.1MPa;按《建筑粧基技术规范》(JGJ 94-94)计算承台长边受剪承载力,其值与()最接近。

作者: rantiku 人气: - 评论: 0
问题 柱下桩基如图:承台混凝土抗压强度fe = 19.1MPa;按《建筑粧基技术规范》(JGJ 94-94)计算承台长边受剪承载力,其值与()最接近。
选项
答案 D
解析

猜你喜欢

发表评论
更多 网友评论0 条评论)
暂无评论

访问排行

Copyright © 2012-2014 恰考网 Inc. 保留所有权利。 Powered by tikuer.com

页面耗时0.0362秒, 内存占用1.03 MB, Cache:redis,访问数据库19次