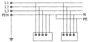
在低压配电及防护系统中,下图所示为(  )系统。 A.TT B.TN—S C.TN—C D.TN—C—S

作者: tihaiku 人气: - 评论: 0
问题 在低压配电及防护系统中,下图所示为(  )系统。
选项 A.TT B.TN—S C.TN—C D.TN—C—S
答案 D
解析

相关内容:低压,防护,系统,下图

猜你喜欢

发表评论
更多 网友评论0 条评论)
暂无评论

Copyright © 2012-2014 恰考网 Inc. 保留所有权利。 Powered by tikuer.com

页面耗时0.0623秒, 内存占用1.04 MB, Cache:redis,访问数据库18次