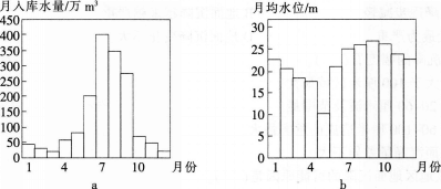
下图表示我国某水库年内逐月入库水量(a)、月均水位(水面海拔)(b),据此回答题。 对5月份水库出现最低水位的合理解释是(  )。查看材料...

作者: tihaiku 人气: - 评论: 0
问题 下图表示我国某水库年内逐月入库水量(a)、月均水位(水面海拔)(b),据此回答题。 对5月份水库出现最低水位的合理解释是(  )。查看材料
选项 A.为防洪放水腾出库容 B.入库水量少 C.季节干旱,降水量少 D.温度高,蒸发量大
答案 A
解析 水库水位的变化,原因可能是入库水量减少,也可能是出水量增加;由a、b图示可知,5月份在入流水量递增的情况下,仍出现低水位,应是水库在雨季来临之前放水腾空一部分库容为汛期的防洪做准备。

相关内容:下图,我国,水库,年内,水量,水位,水面,海拔,5月份,材料

猜你喜欢

发表评论
更多 网友评论0 条评论)
暂无评论

访问排行

Copyright © 2012-2014 恰考网 Inc. 保留所有权利。 Powered by tikuer.com

页面耗时0.0378秒, 内存占用1.04 MB, Cache:redis,访问数据库16次