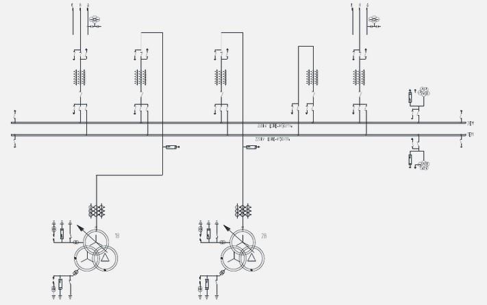
建设在海拔2000米、污秽等级为Ⅲ级的220kV屋外配电装置,采用双母线接线,有2回进线,2回出线,均为架空线路。220kV为有效接地系统,其主接线如图:...

作者: rantiku 人气: - 评论: 0
问题 建设在海拔2000米、污秽等级为Ⅲ级的220kV屋外配电装置,采用双母线接线,有2回进线,2回出线,均为架空线路。220kV为有效接地系统,其主接线如图:
选项 图中电气设备的外绝缘当在海拔1000m以下试验时,其耐受电压为: A 相对地雷电冲击电压耐压950kV,相对地工频耐受电压395kV B 相对地雷电冲击电压耐压1055kV,相对地工频耐受电压438.5kV C 相对地雷电冲击电压耐压1050kV,相对地工频耐受电压460kV D 相对地雷电冲击电压耐压1175kV,相对地工频耐受电压510kV
答案 B
解析 根据《导体与电器选择技术规定 DL/T5222-2005》第6.0.8条规定,对安装在海拔高度超过1000m地区的电器外绝缘应予校验。当海拔高度在4000m以下时,其试验电压应乘以系数K,系数K的计算根据该规程附录B表B.1或《交流电气装置的过电压保护和绝缘配合DL/T 620-1997》表19,得:220kV系统相对地雷电冲击电压耐压950kV,相对地工频耐受电压395kV,再乘以系数K,可得选项B为正确答案。

猜你喜欢

发表评论
更多 网友评论0 条评论)
暂无评论

访问排行

Copyright © 2012-2014 恰考网 Inc. 保留所有权利。 Powered by tikuer.com

页面耗时0.0520秒, 内存占用1.03 MB, Cache:redis,访问数据库17次