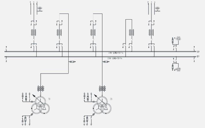
建设在海拔2000米、污秽等级为Ⅲ级的220kV屋外配电装置,采用双母线接线,有2回进线,2回出线,均为架空线路。220kV为有效接地系统,其主接线如图:...

作者: rantiku 人气: - 评论: 0
问题 建设在海拔2000米、污秽等级为Ⅲ级的220kV屋外配电装置,采用双母线接线,有2回进线,2回出线,均为架空线路。220kV为有效接地系统,其主接线如图:
选项 配电装置内母线耐张绝缘子采用XPW-160(每片的几何爬电距离为450mm),爬电距离有效系数为1,请计算按工频电压的爬电距离选择每串的片数为: A 14 B 15 C 16 D 18
答案 D
解析 根据《交流电气装置的过电压保护和绝缘配合DL/T 620-1997》第10.2.1条或《电力工程电气设计手册?电气一次部分》第6-7节第四部分,由工频电压爬电距离要求的线路每串绝缘子片数应符合下 式要求又由《高压架空线路和发电厂、变电所环境污区分级及外绝缘选择标准 GB/T16434-1996》表2,可 知Ⅲ级污秽区220kV变电所爬电比距λ=2.5cm/kV,所以又由《110~500kV架空送电线路设计技术规程 DL/T5092-1999》第9.0.4条,通过污秽地区的送电线 路,耐张绝缘子串的片数按9.0.3选择以达到9.0.2条规定的片数时,可不再比悬垂绝缘子串增加。第9.0.5条,在海拔高度为1000~3500m的地区,绝缘子串的片数,如无运行经验时,可按下式确定又根据《导体与电器选择技术规定 DL/T5222-2005》第21.0.9条第3款,选择悬式绝缘子应考虑绝缘子的老化,每串绝缘子要预留零值绝缘子。220kV耐张串预留2片,所以本例每串绝缘子的片数为18

猜你喜欢

发表评论
更多 网友评论0 条评论)
暂无评论

访问排行

Copyright © 2012-2014 恰考网 Inc. 保留所有权利。 Powered by tikuer.com

页面耗时0.0736秒, 内存占用1.03 MB, Cache:redis,访问数据库20次