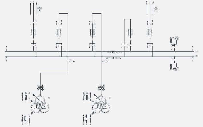
建设在海拔2000米、污秽等级为Ⅲ级的220kV屋外配电装置,采用双母线接线,有2回进线,2回出线,均为架空线路。220kV为有效接地系统,其主接线如图:...

作者: rantiku 人气: - 评论: 0
问题 建设在海拔2000米、污秽等级为Ⅲ级的220kV屋外配电装置,采用双母线接线,有2回进线,2回出线,均为架空线路。220kV为有效接地系统,其主接线如图:
选项 图中变压器中性点氧化锌避雷器持续运行电压和额定电压为哪个? A 持续运行电压0.13Um,额定电压为0.17Um B 持续运行电压0.45Um,额定电压为0.57Um C 持续运行电压0.64Um,额定电压为0.8Um D 持续运行电压0.58Um,额定电压为0.72Um
答案 B
解析 根据《交流电气装置的过电压保护和绝缘配合DL/T 620-1997》第5.3.4条和表3,氧化锌避雷器持续运行电压和额定电压为0.45Um和0.57Um。
发表评论
更多 网友评论0 条评论)
暂无评论
错误啦!

错误信息

  • 消息: [程序异常] : MISCONF Redis is configured to save RDB snapshots, but it's currently unable to persist to disk. Commands that may modify the data set are disabled, because this instance is configured to report errors during writes if RDB snapshotting fails (stop-writes-on-bgsave-error option). Please check the Redis logs for details about the RDB error.
  • 文件: /twcms/kongphp/cache/cache_redis.class.php
  • 位置: 第 85 行
    <?php echo 'KongPHP, Road to Jane.'; ?>