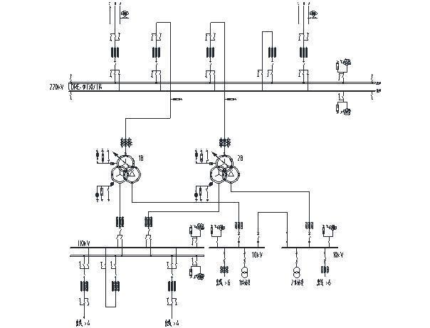
某地区电网规划建设一座220kV变电所,电压为220/110/10kV,主接线如下图所示。请解答下列问题该变电所110kV出线有1回用户专线,有功电能表为...

作者: rantiku 人气: - 评论: 0
问题 某地区电网规划建设一座220kV变电所,电压为220/110/10kV,主接线如下图所示。请解答下列问题
选项 该变电所110kV出线有1回用户专线,有功电能表为0.5级,电压互感器回路电缆截面选择时,其压降满足下列哪项要求?根据是什么: A 不大于额定二次电压的0.25% B 不大于额定二次电压的3% C 不大于额定二次电压的0.5% D 不大于额定二次电压的1.0%
答案 A
解析 根据《电测量及电能计量装置设计技术规程 DL/T 5137-2001》第6.1.3条、表6.1.3及第11.2.1条,测量用电压互感器的二次回路允许电压降应符合:Ⅰ、Ⅱ类电能计量装置不大于额定二次电压的0.25%。

猜你喜欢

发表评论
更多 网友评论0 条评论)
暂无评论

访问排行

Copyright © 2012-2014 恰考网 Inc. 保留所有权利。 Powered by tikuer.com

页面耗时0.0449秒, 内存占用1.03 MB, Cache:redis,访问数据库19次