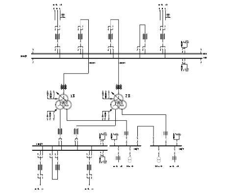
某电网规划建设一座220kV变电所,安装2台主变,三侧电压为220/110/10kV。220kV、110kV为双母线接线,10kV为单母线分段接线。220...

作者: rantiku 人气: - 评论: 0
问题 某电网规划建设一座220kV变电所,安装2台主变,三侧电压为220/110/10kV。220kV、110kV为双母线接线,10kV为单母线分段接线。220kV出线4回,10kV电缆出线16回,每回长2km。110kV出线无电源。电气主接线如下图所示,请回答下列问题。
选项 如该变电所220kV屋外配点装置采用Φ120/110[铝镁系(LDRE)]管形母线,远景220kV母线最大穿越功率为900MVA,在计及日照(环境温度35℃、海拔高度1000m以下)条件下,请计算220kV管母长期允许载流量最接近下列哪项数值?是否满足要求?并说明理由。 (A) 2317A,不满足要求 (B) 2503A,满足要求 (C) 2663A,满足要求 (D) 2831A,满足要求
答案 A
解析 根据《导体和电器选择设计技术规定DL/T5222-2005》附录D,表D.2:铝镁系(LDRE)Φ120/110管形母线最高允许温度+80℃时的载流量为2663A,根据本规定7.1.5条及附录D,表D.11,综合校正系数为0.87,校正后的母线载流量为I=2663*0.87=2317A。 母线远景最大持续工作电流为 ,母线载流量小于远景最 大持续工作电流,因此母线载流量不满足要求

猜你喜欢

发表评论
更多 网友评论0 条评论)
暂无评论

访问排行

Copyright © 2012-2014 恰考网 Inc. 保留所有权利。 Powered by tikuer.com

页面耗时0.0371秒, 内存占用1.03 MB, Cache:redis,访问数据库13次