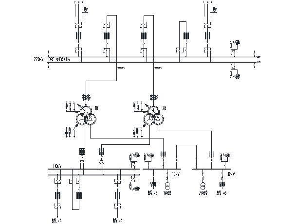
某地区电网规划建设一座220kV变电所,电压为220/110/10kV,主接线如下图所示。请解答下列问题该变电所110kV出线中,其中有2回线路为一个热电...

作者: rantiku 人气: - 评论: 0
问题 某地区电网规划建设一座220kV变电所,电压为220/110/10kV,主接线如下图所示。请解答下列问题
选项 该变电所110kV出线中,其中有2回线路为一个热电厂的并网线,请确定该线路配置自动重合闸的正确原则为下列哪项?并说明根据和理由。 A 设置不检查同步的三相重合闸 B 设置检查同步的三相重合闸 C 设置同步检定和无电压检定的三相自动重合闸 D 设置无电压检定的三相重合闸
答案 C
解析 根据《继电保护和安全自动装置技术规程 GB/T 14285-2006》第5.2.5.1条:110kV及以下双侧电源线路的自动重合闸装置,按下列规定装设:并列运行的发电厂或电力系统之间,具有两条联系的线路或三条紧密联系的线路,可采用同步检定和无电压检定的三相重合闸方式。

猜你喜欢

发表评论
更多 网友评论0 条评论)
暂无评论

访问排行

Copyright © 2012-2014 恰考网 Inc. 保留所有权利。 Powered by tikuer.com

页面耗时0.0366秒, 内存占用1.03 MB, Cache:redis,访问数据库19次