某电网规划建设一座220kV变电所,安装2台主变,三侧电压为220/110/10kV。220kV、110kV为双母线接线,10kV为单母线分段接线。220...

作者: rantiku 人气: - 评论: 0
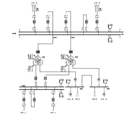
问题 某电网规划建设一座220kV变电所,安装2台主变,三侧电压为220/110/10kV。220kV、110kV为双母线接线,10kV为单母线分段接线。220kV出线4回,10kV电缆出线16回,每回长2km。110kV出线无电源。电气主接线如下图所示,请回答下列问题。
选项 请计算该变电所10kV系统电缆线路单相接地电容电流应为下列哪项数值? (A) 2A (B) 32A (C) 1.23A (D) 320A
答案 B
解析 根据《电力工程电气设计手册1》第16-1节,式(16-1)

猜你喜欢

发表评论
更多 网友评论0 条评论)
暂无评论

访问排行

Copyright © 2012-2014 恰考网 Inc. 保留所有权利。 Powered by tikuer.com

页面耗时0.0434秒, 内存占用1.03 MB, Cache:redis,访问数据库19次