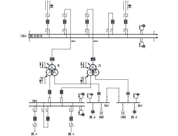
某地区电网规划建设一座220kV变电所,电压为220/110/10kV,主接线如下图所示。请解答下列问题统计本变电所应安装有功电能计量表数量为下列哪项?并...

作者: rantiku 人气: - 评论: 0
问题 某地区电网规划建设一座220kV变电所,电压为220/110/10kV,主接线如下图所示。请解答下列问题
选项 统计本变电所应安装有功电能计量表数量为下列哪项?并说明根据和理由。 A 24只 B 30只 C 32只 D 35只
答案 C
解析 根据《电测量及电能计量装置设计技术规程 DL/T 5137-2001》第6.2.1条:下列回路应计量有功电能且安装有功电能表。 本站数量,主变压器:三绕组变压器的三侧,1#、2#主变的三侧共6只; 10kV及以上线路:24回出线,共24只; 所用电变压器的一侧:10kV所用变压器的一侧,共2只; 由上述,共需32只。

猜你喜欢

发表评论
更多 网友评论0 条评论)
暂无评论
错误啦!

错误信息

  • 消息: [程序异常] : MISCONF Redis is configured to save RDB snapshots, but it's currently unable to persist to disk. Commands that may modify the data set are disabled, because this instance is configured to report errors during writes if RDB snapshotting fails (stop-writes-on-bgsave-error option). Please check the Redis logs for details about the RDB error.
  • 文件: /twcms/kongphp/cache/cache_redis.class.php
  • 位置: 第 85 行
    <?php echo 'KongPHP, Road to Jane.'; ?>