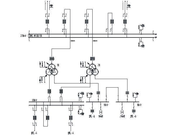
某地区电网规划建设一座220kV变电所,电压为220/110/10kV,主接线如下图所示。请解答下列问题请问本变电所的每台主变的无功补偿容量取哪个为宜? ...

作者: rantiku 人气: - 评论: 0
问题 某地区电网规划建设一座220kV变电所,电压为220/110/10kV,主接线如下图所示。请解答下列问题
选项 请问本变电所的每台主变的无功补偿容量取哪个为宜? A 15000kVar B 40000kVar C 63000kVar D 80000kVar
答案 B
解析 根据《并联电容器装置设计规范 GB50227-2008》第3.0.2条及其条文说明:电容器的安装容量可按变压器容量的10%-30%确定,即180*1000*(10%30%)=18000~54000kVar

猜你喜欢

发表评论
更多 网友评论0 条评论)
暂无评论

访问排行

Copyright © 2012-2014 恰考网 Inc. 保留所有权利。 Powered by tikuer.com

页面耗时0.0912秒, 内存占用1.03 MB, Cache:redis,访问数据库14次