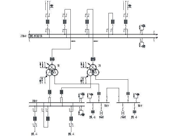
某地区电网规划建设一座220kV变电所,电压为220/110/10kV,主接线如下图所示。请解答下列问题本变电所每台主变装设电容器组容量确定后,将分组安装...

作者: rantiku 人气: - 评论: 0
问题 某地区电网规划建设一座220kV变电所,电压为220/110/10kV,主接线如下图所示。请解答下列问题
选项 本变电所每台主变装设电容器组容量确定后,将分组安装,下列确定分组原则哪一条是错误的 A 电压波动 B 负荷变化 C 谐波含量 D 无功规划
答案 D
解析 根据《并联电容器装置设计规范 GB50227-2008》第3.0.3条及条文说明,变电所装设无功补偿电容器的总容量确定以后,将分组安装,分组的主要原则是根据电压波动、负荷变化、谐波含量等因素确定。

猜你喜欢

发表评论
更多 网友评论0 条评论)
暂无评论

访问排行

Copyright © 2012-2014 恰考网 Inc. 保留所有权利。 Powered by tikuer.com

页面耗时0.0255秒, 内存占用1.03 MB, Cache:redis,访问数据库19次