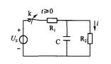
图示电路中,开关k在t=0时刻打开,此后,电流i的初始值和稳态值分别为:

作者: rantiku 人气: - 评论: 0
问题 图示电路中,开关k在t=0时刻打开,此后,电流i的初始值和稳态值分别为:
选项
答案 B
解析

猜你喜欢

发表评论
更多 网友评论0 条评论)
暂无评论

Copyright © 2012-2014 恰考网 Inc. 保留所有权利。 Powered by tikuer.com

页面耗时0.0909秒, 内存占用1.03 MB, Cache:redis,访问数据库19次