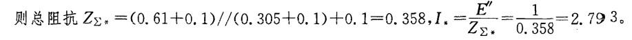
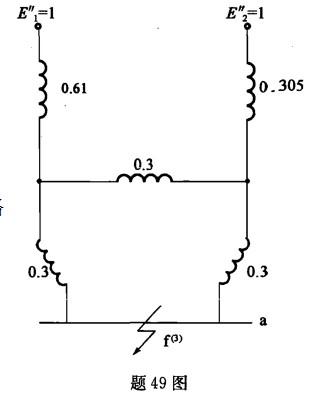
图中参数均为标幺值,若母线a处发生三相短路,网络对故障点的等值阻抗和短路电流标幺值分别为()。A. 0. 358 2. 793B. 0. 278 ...

作者: rantiku 人气: - 评论: 0
问题 图中参数均为标幺值,若母线a处发生三相短路,网络对故障点的等值阻抗和短路电流标幺值分别为()。
选项 A. 0. 358 2. 793 B. 0. 278 3. 591 C. 0. 358 2. 591 D. 0. 397 2. 519
答案 A
解析 解把三角形连接化为星形连接,如图所示。

猜你喜欢

发表评论
更多 网友评论0 条评论)
暂无评论

Copyright © 2012-2014 恰考网 Inc. 保留所有权利。 Powered by tikuer.com

页面耗时0.0338秒, 内存占用1.01 MB, Cache:redis,访问数据库17次