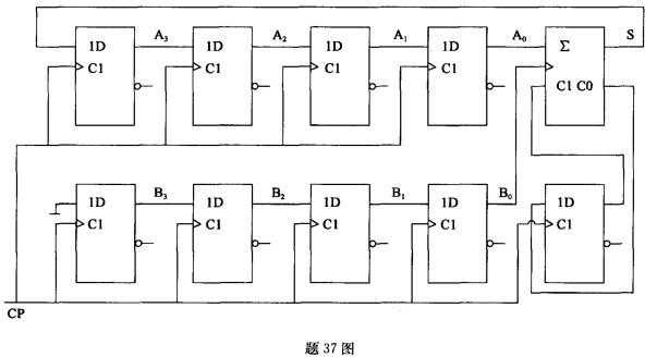
电路如图所示,该电路完成的功能是( )。A. 8位并行加法器B. 8位串行加法器C. 4位并行加法器D. 4位串行加法器

作者: rantiku 人气: - 评论: 0
问题 电路如图所示,该电路完成的功能是( )。
选项 A. 8位并行加法器 B. 8位串行加法器 C. 4位并行加法器 D. 4位串行加法器
答案 D
解析 解加法器部分是A、B按位串行相加的。 答案:D

猜你喜欢

发表评论
更多 网友评论0 条评论)
暂无评论

Copyright © 2012-2014 恰考网 Inc. 保留所有权利。 Powered by tikuer.com

页面耗时0.0437秒, 内存占用1.02 MB, Cache:redis,访问数据库20次