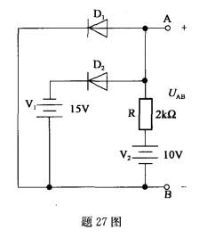
如图所示电路中,二极管性能理想,则电压UAB为( )。A. -5VB. -15VC. 10VD. 25V

作者: rantiku 人气: - 评论: 0
问题 如图所示电路中,二极管性能理想,则电压UAB为( )。
选项 A. -5V B. -15V C. 10V D. 25V
答案 B
解析 解如图所示。将D1和D2从“X”处断开,得Uak1 = 10V,Uak2 = 25V,则 D2 优先导通,D2 导通后,Uak1 = -15V,故D1反偏截止,所以UAB = -15V。 答案:B

猜你喜欢

发表评论
更多 网友评论0 条评论)
暂无评论

Copyright © 2012-2014 恰考网 Inc. 保留所有权利。 Powered by tikuer.com

页面耗时0.0453秒, 内存占用1.02 MB, Cache:redis,访问数据库20次