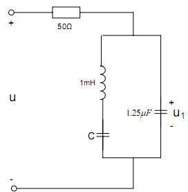
图示电路电压u含有基波和三次谐波,基波角频率为104rad/s。若要求u1中不含基波分量而将u中的三次谐波分量全部取出,则C等于: (A) 10μ...

作者: rantiku 人气: - 评论: 0
问题 图示电路电压u含有基波和三次谐波,基波角频率为104rad/s。若要求u1中不含基波分量而将u中的三次谐波分量全部取出,则C等于: (A) 10μF (B) 30μF (C) 50μF (D) 20μF
选项
答案 A
解析

猜你喜欢

发表评论
更多 网友评论0 条评论)
暂无评论

Copyright © 2012-2014 恰考网 Inc. 保留所有权利。 Powered by tikuer.com

页面耗时0.0429秒, 内存占用1.02 MB, Cache:redis,访问数据库20次