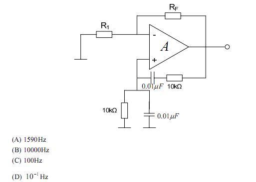
文氏电桥式正弦波发生器电路如图所示,电路的振荡频率f0约为:

作者: rantiku 人气: - 评论: 0
问题 文氏电桥式正弦波发生器电路如图所示,电路的振荡频率f0约为:
选项
答案 C
解析

猜你喜欢

发表评论
更多 网友评论0 条评论)
暂无评论

Copyright © 2012-2014 恰考网 Inc. 保留所有权利。 Powered by tikuer.com

页面耗时0.0379秒, 内存占用1.02 MB, Cache:redis,访问数据库20次