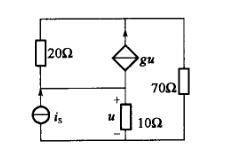
若图示电路中is = 1. 2A和g = 0.1s,则电路中的电压u应为下列哪项数值?()A. 3A B. 6A C. 9A D. 12A

作者: rantiku 人气: - 评论: 0
问题 若图示电路中is = 1. 2A和g = 0.1s,则电路中的电压u应为下列哪项数值?() A. 3A B. 6A C. 9
选项 A D. 12A
答案 C
解析 解:由网孔电流可知:

猜你喜欢

发表评论
更多 网友评论0 条评论)
暂无评论

Copyright © 2012-2014 恰考网 Inc. 保留所有权利。 Powered by tikuer.com

页面耗时0.0340秒, 内存占用1.02 MB, Cache:redis,访问数据库19次