现有A、B两台单相变压器,均为U1N/U2N = 220/110V,两变压器原、副边绕组匝数分别 相等,假定磁路均不饱和,如果两台变压器原边分别接到220...

作者: rantiku 人气: - 评论: 0
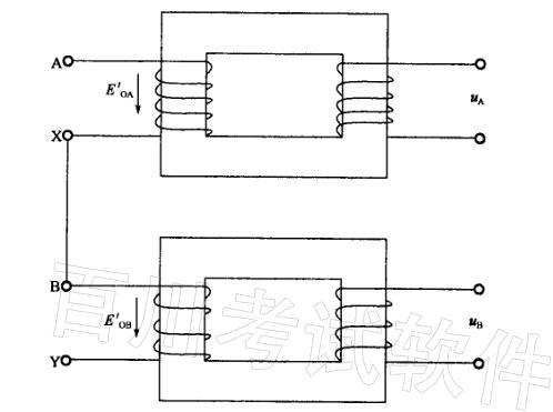
问题 现有A、B两台单相变压器,均为U1N/U2N = 220/110V,两变压器原、副边绕组匝数分别 相等,假定磁路均不饱和,如果两台变压器原边分别接到220V电源电压,测得空载电流I0A = 2I0B。今将两台变压器的原边顺极性串联后接到440V的电源上,此时B变压器副边的空载电压为()。
选项 A. 73.3V B. 110V C. 146. 7V D. 220V
答案 A
解析

猜你喜欢

发表评论
更多 网友评论0 条评论)
暂无评论

Copyright © 2012-2014 恰考网 Inc. 保留所有权利。 Powered by tikuer.com

页面耗时0.0355秒, 内存占用1.03 MB, Cache:redis,访问数据库20次