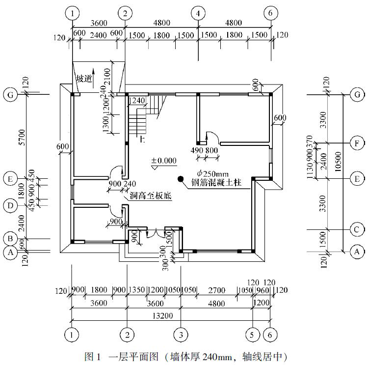
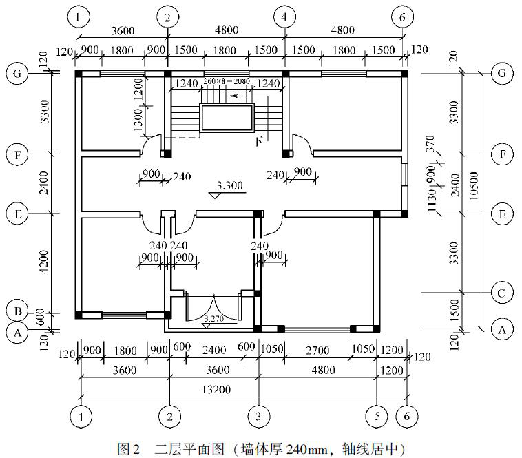
背景资料: 某拟建别墅工程为二层砖混结构,一砖外墙(240mm),层高3.3m,平面图如图1、2所示。注:入户大门处设计为门廊结构。 ...

作者: tihaiku 人气: - 评论: 0
问题 背景资料: 某拟建别墅工程为二层砖混结构,一砖外墙(240mm),层高3.3m,平面图如图1、2所示。注:入户大门处设计为门廊结构。 <1> 、计算该工程建筑面积。 <2> 、计算该工程的平整场地清单工程量。 <3> 、某施工单位承担此工程土建部分的施工。拟订平整场地施工方案是在外墙外边线的基础上四周各放出2m,按矩形面积进行平整。已知该施工单位人工平整场地的定额见表1,人工单价为60元/工日,管理费取人工费、材料费、机械费之和的12%,利润取人工费、材料费、机械费、管理费之和的4.5%,不考虑风险。求平整场地的清单综合单价并填写完成表2平整场地综合单价分析表。 <4> 、填写完成表3分部分项工程量清单及计价表(计算结果保留两位小数)。 表3分部分项工程量清单及计价表 <5> 、若本工程要考虑综合脚手架清单量、垂直运输清单量、超高施工增加量,它们分别为多少
选项
答案
解析 【1】 建筑面积: 一层:10.14×3.84+9.24×3.36+10.74×5.04+5.94×1.2=131.24(m2) 一层门廊:(3.36×1.5+0.6×0.24)×1/2=2.59(m2) 二层:131.24(m2)(除阳台外) 阳台:(3.36×1.5+0.6×0.24)×1/2=2.59(m2) S=131.24+131.24+2.59+2.59=267.66(m2) 【2】 按计算规则,平整场地的工程量等于首层建筑面积。 平整场地清单工程量= 首层建筑面积=131.24+2.59=133.83(m2) 【3】 平整场地方案工程量= (13.2+0.24+4)×(10.5+0.24+4)=257.07(m2) 清单综合单价=方案总价/清单量=(方案量×方案单价)/清单量 综合单价=人工费+材料费+施工机具使用费+企业管理费+利润,考虑风险 方案综合单价=60×7.89×(1+12%)×(1+4.5%)/100=5.54(元/m2) 清单综合单价=方案总价/清单量=(方案量×方案单价)/清单量=(257.07×5.54)/133.83=10.64(元/m2) 表2 平整场地综合单价分析表 【4】 表3 分部分项工程量清单与计价表 【5】 按清单工程量计算规范,该工程的脚手架清单量等于建筑面积,为267.66m2;垂直运输清单量也等于建筑面积,为267.66m2;超高施工增加量为0,因为多层建筑超过6层时才考虑。

相关内容:背景,资料,别墅,工程,二层,砖混,结构,一砖,外墙,层高,平面图,如图,2所示,大门,门廊

猜你喜欢

发表评论
更多 网友评论0 条评论)
暂无评论
错误啦!

错误信息

  • 消息: [程序异常] : MISCONF Redis is configured to save RDB snapshots, but it's currently unable to persist to disk. Commands that may modify the data set are disabled, because this instance is configured to report errors during writes if RDB snapshotting fails (stop-writes-on-bgsave-error option). Please check the Redis logs for details about the RDB error.
  • 文件: /twcms/kongphp/cache/cache_redis.class.php
  • 位置: 第 85 行
    <?php echo 'KongPHP, Road to Jane.'; ?>