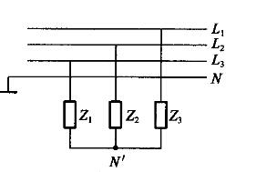
已知图示三相电路中三相电源对称,Z1=z1∠φ1 ,Z2 = z2 ∠φ2, Z3=z3∠φ3,若UNN=0,则z1 =z2 = z3,且:A. φ1=φ...

作者: tihaiku 人气: - 评论: 0
问题 已知图示三相电路中三相电源对称,Z1=z1∠φ1 ,Z2 = z2 ∠φ2, Z3=z3∠φ3,若UNN=0,则z1 =z2 = z3,且:
选项 A. φ1=φ2=φ3 B. φ1-φ2=φ2-φ3=φ3-φ1=120° C. φ1-φ2=φ2-φ3=φ3-φ1=-120° D. N'必须被接地
答案 A
解析 解:三相电路中,电源中性点与负载中点等电位,说明电路中负载也是对称负载,三相电路负载的阻抗相等条件成立。

猜你喜欢

发表评论
更多 网友评论0 条评论)
暂无评论

Copyright © 2012-2014 恰考网 Inc. 保留所有权利。 Powered by tikuer.com

页面耗时0.0565秒, 内存占用1.03 MB, Cache:redis,访问数据库14次