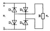
图示电路中,ui = 10sinwt,二极管D2因损坏而断开,这时输出电压的波形和输出电压的平均值为:
相关内容:电路,10sinwt,二极管,这时,电压,波形,平均值
- 电路如图7-26所示,已知R=1kΩ,C=2μF,电路对f=500Hz的信号发生谐振,谐振时端口电流为0.1A,电流表的读数最接近于()A。
A.0.6...
- 如图7-47所示的控制电路中,交流接触器KM1、KM2分别控制电动机M1和M2,以下叙述正确的是()。
A.M1,M2可以独立运行,互不影响
B.M1...
- 如图7-39所示电路中电压u含有基波和三次谐波,基波角频率为104rad/s。若要求u1中不含基波分量而将u中的三次谐波分量全部取出,则C1应为()μF。...
- 二极管电路如图7-48所示,三个二极管的正向压降均为0.7V,它们的工作状态是()。
A.三管均导通
B.VD1截止,VD2、VD3导通
C.VD1...
- 如图7-8所示,两电路相互等效,由图(b)知,流经10Ω电阻的电流IR=1A, 由此可求得流经图(a)电路中10Ω电阻的电流I等于( )。
A. 1...
- 用3个D触发器组成的电路如图7-66所示,设Q2Q1Q0的初始状态为000,触发器F0的输入端接+5V表明D0=1,那么,在第1个CP脉冲和第2个脉冲的上...
- 有一台6kW的三相异步电动机,其额定运行转速为148r/min,额定电压为380V,全压起动转矩是额定运行转矩的1.2倍,现采用△Y起动以降低其起动电流,...
- 对于稳态正弦交流电路,以下说法正确的是()。A.当元件R、L、C串联时,端口总电压有效值一定大于每个元件电压的有效值
B.当元件R、L、C并联时,L和C...
- 如图7-65所示电路中,两个D触发器在接受触发脉冲前为均为0,分析电路,该电路是()。
A.异步二进制计数器
B.左移计数器
C.右移计数器
D....
- 如图7-15所示电路中ab间的等效电阻与电阻RL相等,则RL为()Ω。
A.10
B.15
C.20
D.5√10