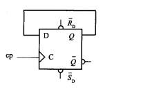
D触发器的应用电路如图所示,设输出Q的初值为0,那么,在时钟脉冲cp的作用下, 输出Q为: A. 1 B. cp C.脉冲信号,频率为时钟脉冲频率的...

作者: tihaiku 人气: - 评论: 0
问题 D触发器的应用电路如图所示,设输出Q的初值为0,那么,在时钟脉冲cp的作用下, 输出Q为:
选项 A. 1 B. cp C.脉冲信号,频率为时钟脉冲频率的1/2 D. 0
答案 D
解析 解 该电路是D触发器,这种连接方法构成保持状态。

相关内容:触发器,应用,电路,如图,初值,时钟,脉冲,作用,信号,频率

猜你喜欢

发表评论
更多 网友评论0 条评论)
暂无评论

Copyright © 2012-2014 恰考网 Inc. 保留所有权利。 Powered by tikuer.com

页面耗时0.0377秒, 内存占用1.04 MB, Cache:redis,访问数据库19次