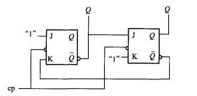
由JK触发器组成的应用电器如图所示,设触发器的初值都为0,经分析可知是一个: A.同步二进制加法计算器 B.同步四进制加法计算器 C.同步三进制加法...

作者: tihaiku 人气: - 评论: 0
问题 由JK触发器组成的应用电器如图所示,设触发器的初值都为0,经分析可知是一个:
选项 A.同步二进制加法计算器 B.同步四进制加法计算器 C.同步三进制加法计算器 D.同步三进制减法计算器
答案 C
解析 解 状态转换图为可见该电路是同步三进制加法计数器。

相关内容:触发器,用电器,如图,初值,分析,二进制,加法,计算器,进制

猜你喜欢

发表评论
更多 网友评论0 条评论)
暂无评论
错误啦!

错误信息

  • 消息: [程序异常] : MISCONF Redis is configured to save RDB snapshots, but it's currently unable to persist to disk. Commands that may modify the data set are disabled, because this instance is configured to report errors during writes if RDB snapshotting fails (stop-writes-on-bgsave-error option). Please check the Redis logs for details about the RDB error.
  • 文件: /twcms/kongphp/cache/cache_redis.class.php
  • 位置: 第 85 行
    <?php echo 'KongPHP, Road to Jane.'; ?>