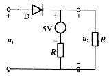
二级管应用电路如图所示,设二极管D为理想器件,u1= 10sinwtV,则输出电压u0的波形为:

作者: rantiku 人气: - 评论: 0
问题 二级管应用电路如图所示,设二极管D为理想器件,u1= 10sinwtV,则输出电压u0的波形为:
选项
答案 D
解析 提示 此题为二极管限幅电路,分析二极管电路首先要将电路模型线性化,即:将二极管断开后分析极性(对于理想二极管,如果是正向偏置将二极管短路,否则将二极管断路),最后按照线性电路理论确定输入和输出信号关系。

猜你喜欢

发表评论
更多 网友评论0 条评论)
暂无评论

Copyright © 2012-2014 恰考网 Inc. 保留所有权利。 Powered by tikuer.com

页面耗时0.0770秒, 内存占用1.03 MB, Cache:redis,访问数据库20次