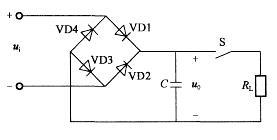
全波整流、滤波电路如图所示,如果输入信号ui =sin(ωt+30)V,则开关S闭合前输出端有直流电压u0为: A. 0V B. 7. 64V ...

作者: rantiku 人气: - 评论: 0
问题 全波整流、滤波电路如图所示,如果输入信号ui =sin(ωt+30)V,则开关S闭合前输出端有直流电压u0为:
选项 A. 0V B. 7. 64V C. 10V D. 12V
答案 C
解析 提示 该电路为全波整流电容滤波电路,当开关S闭合前输出端有直流电压u0与输入交流电压ui的有效值Ui关系为

猜你喜欢

发表评论
更多 网友评论0 条评论)
暂无评论

Copyright © 2012-2014 恰考网 Inc. 保留所有权利。 Powered by tikuer.com

页面耗时0.0417秒, 内存占用1.01 MB, Cache:redis,访问数据库19次