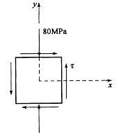
单元体的应力状态如图所示,若已知其中一个主应力为5MPa,则另一个主应力为: A. -5MPa B. 85MPa C. -5MPa D. ...

作者: rantiku 人气: - 评论: 0
问题 单元体的应力状态如图所示,若已知其中一个主应力为5MPa,则另一个主应力为:
选项 A. -5MPa B. 85MPa C. -5MPa D. 75MPa
答案 A
解析 提示 图示单元体应力状态类同于梁的应力状态:σ2=0且σx=0(或σy=0),故其主应力的特点与梁相同,即有如下规律

猜你喜欢

发表评论
更多 网友评论0 条评论)
暂无评论

Copyright © 2012-2014 恰考网 Inc. 保留所有权利。 Powered by tikuer.com

页面耗时0.0343秒, 内存占用1.03 MB, Cache:redis,访问数据库20次