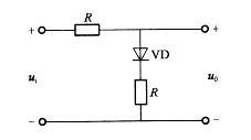
图示电路中,设VD为理想二极管,输入电压ui按正弦规律变化,则在输入电压的负半周,输出电压为: A. u0=ui B. u0=0 C. u0=...

作者: rantiku 人气: - 评论: 0
问题 图示电路中,设VD为理想二极管,输入电压ui按正弦规律变化,则在输入电压的负半周,输出电压为:
选项 A. u0=ui B. u0=0 C. u0=-ui D. u0=1/2ui
答案 A
解析 提示 分析理想二极管电路的电压电流关系时,通常的做法是首先设二极管截止,然后判断二极管的偏置电压。如二极管是正向偏置,可以按短路分析:如果二极管是反偏的,则将二极管用断路模型代替。 此题中,ui0=ui。

猜你喜欢

发表评论
更多 网友评论0 条评论)
暂无评论

Copyright © 2012-2014 恰考网 Inc. 保留所有权利。 Powered by tikuer.com

页面耗时0.0345秒, 内存占用1.03 MB, Cache:redis,访问数据库19次