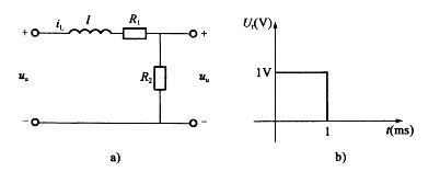
图a)所示电路中,R1=500Ω,R2=500Ω,L=1H,电路激励U1如图b)所示,如果用三要素法求解电压U0,t≥0,则: A.U0(1+)=u0...

作者: rantiku 人气: - 评论: 0
问题 图a)所示电路中,R1=500Ω,R2=500Ω,L=1H,电路激励U1如图b)所示,如果用三要素法求解电压U0,t≥0,则:
选项 A.U0(1+)=u0(1-) B.u0(1+)=0.5V C.u0(1+)=0V D.u0(1+)=IL(1-)R2
答案 A
解析 提示 根据一阶暂态电路的三要素公式,电感电流的计算公式为

猜你喜欢

发表评论
更多 网友评论0 条评论)
暂无评论

Copyright © 2012-2014 恰考网 Inc. 保留所有权利。 Powered by tikuer.com

页面耗时0.0445秒, 内存占用1.03 MB, Cache:redis,访问数据库19次