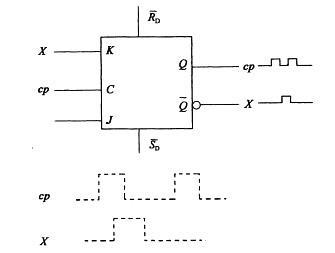
JK触发器及其输入信号波形如图所示,该触发器的初值为0,则它的输出Q为:

作者: rantiku 人气: - 评论: 0
问题 JK触发器及其输入信号波形如图所示,该触发器的初值为0,则它的输出Q为:
选项
答案 B
解析 图示电路是电位触发的JK触发器。当cp=1时,触发器取输入信号JK。触发器的状态由JK触发器的功能表(表格略)确定。

猜你喜欢

发表评论
更多 网友评论0 条评论)
暂无评论

Copyright © 2012-2014 恰考网 Inc. 保留所有权利。 Powered by tikuer.com

页面耗时0.0455秒, 内存占用1.03 MB, Cache:redis,访问数据库18次