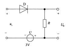
电路如图所示,D为理想二极管,ui=6sinωt(V),则输出电压的最大值U0M为: A.6V B.3V C.-3V D.-6V

作者: rantiku 人气: - 评论: 0
问题 电路如图所示,D为理想二极管,ui=6sinωt(V),则输出电压的最大值U0M为:
选项 A.6V B.3V C.-3V D.-6V
答案 B
解析 分析二极管电路的方法,是先将二极管视为断路,判断二极管的端部电压。如果二极管处于正向偏置状态,可将二极管视为短路;如果二极管处于反向偏置状态,可将二极管视为断路。简化后含有二极管的电路已经成为线性电路,用线性电路理论分析可得结果。

猜你喜欢

发表评论
更多 网友评论0 条评论)
暂无评论

Copyright © 2012-2014 恰考网 Inc. 保留所有权利。 Powered by tikuer.com

页面耗时0.0561秒, 内存占用1.03 MB, Cache:redis,访问数据库19次