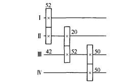
下图为一齿轮传动,图中数字为各齿轮数,如果轴I的转速n1 =730r/min,问:轴 IV的转速应是多少?其转向与轴I相同吗?

作者: rantiku 人气: - 评论: 0
问题 下图为一齿轮传动,图中数字为各齿轮数,如果轴I的转速n1 =730r/min,问:轴 IV的转速应是多少?其转向与轴I相同吗?
选项
答案
解析 (50/50) =730 x 1.24 xO. 38 xl =344 (r/min) 0 轴IV的转向与轴 I 相反。

猜你喜欢

发表评论
更多 网友评论0 条评论)
暂无评论

访问排行

Copyright © 2012-2014 恰考网 Inc. 保留所有权利。 Powered by tikuer.com

页面耗时0.0418秒, 内存占用1.03 MB, Cache:redis,访问数据库20次