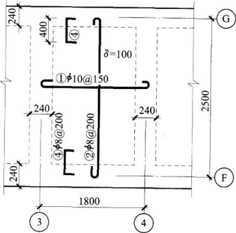
如上题图一块区格板中④号钢筋的工程量为( )kg。 A.3.242 B.3.839 C.2.027 D.1.621

作者: tihaiku 人气: - 评论: 0
问题 如上题图一块区格板中④号钢筋的工程量为( )kg。
选项 A.3.242 B.3.839 C.2.027 D.1.621
答案 B
解析 ④号钢筋板支座负筋,每个尺寸为400+2(100-2×15)=540(mm)。因为板厚为100mm,直角弯钩按施工要求应立于模板上,所以每肢长度应为板厚减板的上下钢筋保护层厚15mm。④号钢筋系在F、G轴方向布置,故其数量为[(1.8-0.24)/0.2+1]×2=17.6,取18根。 ④号钢筋的工程量为18×0.54×0.395=3.839(kg) 新教材389-408

相关内容:如上,题图,一块区,格板,钢筋,工程量,A.3.242,B.3.839,C.2.027,D.1.621

猜你喜欢

发表评论
更多 网友评论0 条评论)
暂无评论

访问排行

Copyright © 2012-2014 恰考网 Inc. 保留所有权利。 Powered by tikuer.com

页面耗时0.0438秒, 内存占用1.05 MB, Cache:redis,访问数据库20次