凌云股份有限公司共有资金1000万元,其中普通股600万元,资本成本为10%;3年期长期借款400万元,年利率为9.9%,每年付息一次,到期一次还本,筹资...

作者: tihaiku 人气: - 评论: 0
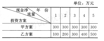
问题 凌云股份有限公司共有资金1000万元,其中普通股600万元,资本成本为10%;3年期长期借款400万元,年利率为9.9%,每年付息一次,到期一次还本,筹资费用率为1%;该公司所得税税率为30%。 2011年该公司有甲、乙两个投资方案,初始投资额均为800万元,各年的现金净流量如下: 甲、乙两方案各年现金净流量 该公司2011年度销售收入8000万元,销售成本6400万元,实现税后净利润800万元。 该公司2011年11月15日发布公告:“本公司董事会在2011年11月15日的会议上决定,本年度发放每股为0.1元的股利;本公司将于2012年1月10日将上述股利支付给已在2011 年12月15日登记为本公司股东的人士。” 根据甲、乙两个投资方案的各年现金净流量,该公司采用不同的投资决策方法对两方案进行了评价(贴现率为10%),评价结果表明甲方案优于乙方案,其依据有()。
选项 A. 甲方案比乙方案的净现值大 B. 甲方案比乙方案的现值指数小 C. 甲方案比乙方案的内含报酬率低 D. 甲方案比乙方案的投资回收期短
答案 A
解析 本题考查项目投资评价的各种方法。根据给出的资料,评价甲、乙方案只能用净现值法。评价结果是甲方案优于乙方案,则表明甲方案比乙方案的净现值大。

相关内容:凌云,共有,资金,1000万元,普通股,600万元,资本,成本,年期,借款,400万元,年利率,到期

猜你喜欢

发表评论
更多 网友评论0 条评论)
暂无评论

访问排行

Copyright © 2012-2014 恰考网 Inc. 保留所有权利。 Powered by tikuer.com

页面耗时0.0407秒, 内存占用1.05 MB, Cache:redis,访问数据库19次