凌云股份有限公司共有资金1000万元,其中普通股600万元,资本成本为10%;3年期长期借款400万元,年利率为9.9%,每年付息一次,到期一次还本,筹资...

作者: tihaiku 人气: - 评论: 0
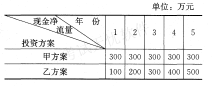
问题 凌云股份有限公司共有资金1000万元,其中普通股600万元,资本成本为10%;3年期长期借款400万元,年利率为9.9%,每年付息一次,到期一次还本,筹资费用率为1%;该公司所得税税率为30%。 2011年该公司有甲、乙两个投资方案,初始投资额均为800万元,各年的现金净流量如下: 甲、乙两方案各年现金净流量 该公司2011年度销售收入8000万元,销售成本6400万元,实现税后净利润800万元。 该公司2011年11月15日发布公告:“本公司董事会在2011年11月15日的会议上决定,本年度发放每股为0.1元的股利;本公司将于2012年1月10日将上述股利支付给已在2011 年12月15日登记为本公司股东的人士。” 下列关于该公司向股东支付股利的表述,正确的有()。
选项 A. 股利宣告日为2011年11月15日 B. 股利宣告日为2011年12月15日 C. 股权登记日为2011年12月15日 D. 股利支付日为2012年1月10日
答案 ACD
解析 本题考查股利支付程序的相关内容。股利宣告日即公司董事会将股利支付情况予以公告的日期,该公司2011年11月15日发布公告;股利登记日即有权领取股利的股东有资格登记截止日期;股利支付日即向股东实际支付股利的日期。本公司将于2012年1月10日将股利支付给已在2011年12月15日登记为本公司股东的人士。所以选择ACD选项。

相关内容:凌云,共有,资金,1000万元,普通股,600万元,资本,成本,年期,借款,400万元,年利率,到期

猜你喜欢

发表评论
更多 网友评论0 条评论)
暂无评论

访问排行

Copyright © 2012-2014 恰考网 Inc. 保留所有权利。 Powered by tikuer.com

页面耗时0.0288秒, 内存占用1.05 MB, Cache:redis,访问数据库17次