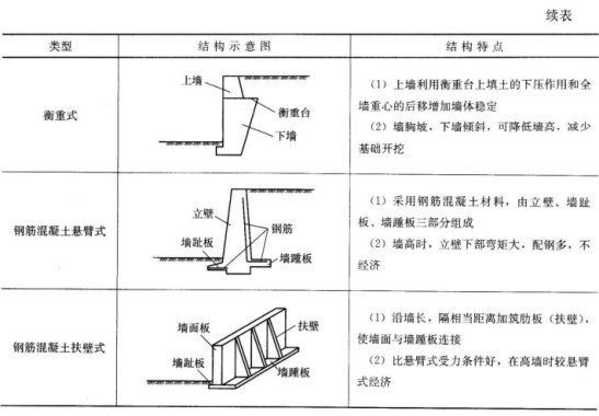
下图所示挡土墙的结构形式为( )。 A.重力式 B.悬臂式 C.扶壁式 D.衡重式

作者: tihaiku 人气: - 评论: 0
问题 下图所示挡土墙的结构形式为( )。
选项 A.重力式 B.悬臂式 C.扶壁式 D.衡重式
答案 B
解析 本题考察的是常见挡土墙的结构形式与特点。见下表:

相关内容:下图,土墙,结构,形式,重力,悬臂,衡重

猜你喜欢

发表评论
更多 网友评论0 条评论)
暂无评论

Copyright © 2012-2014 恰考网 Inc. 保留所有权利。 Powered by tikuer.com

页面耗时0.0287秒, 内存占用1.05 MB, Cache:redis,访问数据库19次