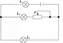
在如图所示的电路中,L1、L2,L3三个不同规格的灯泡恰能正常发光,已知电源的电动势为E,内电阻为r。若将滑动变阻器R的滑片P向左移动,则三个灯泡的亮度变...

作者: tihaiku 人气: - 评论: 0
问题 在如图所示的电路中,L1、L2,L3三个不同规格的灯泡恰能正常发光,已知电源的电动势为E,内电阻为r。若将滑动变阻器R的滑片P向左移动,则三个灯泡的亮度变化情况是( )。
选项 A.都比原来亮 B.都比原来暗 C.L1、L2比原来亮,L3变暗 D.L1、L2比原来暗,L3变亮
答案 C
解析 滑片P向左滑动,R变小,外电路总电阻变小,总电流,I=E/(R+r)变大,I1变大,L1变亮;内阻承担的电压变大,外电路的电压U=E-(R1+r)I1变小,I3变小,L3变暗,I=I2+I3,I变大,I3变小,所以I2变大,L2变亮。

相关内容:如图,电路,三个,规格,灯泡,恰能,电源,电动势,滑动,变阻器,滑片,移动,亮度

猜你喜欢

发表评论
更多 网友评论0 条评论)
暂无评论

访问排行

Copyright © 2012-2014 恰考网 Inc. 保留所有权利。 Powered by tikuer.com

页面耗时0.0420秒, 内存占用1.05 MB, Cache:redis,访问数据库20次