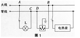
如图1所示为居民家中某房间的电路,电灯L与电热壶均正常工作,在三孔插座上接人电饭煲后.电热壶突然停止工作,灯L仍正常发光。拔出电饭煲的插头,用测电笔分别测...

作者: tihaiku 人气: - 评论: 0
问题 如图1所示为居民家中某房间的电路,电灯L与电热壶均正常工作,在三孔插座上接人电饭煲后.电热壶突然停止工作,灯L仍正常发光。拔出电饭煲的插头,用测电笔分别测试三孔插座的左右两孔,氖管均发光,此时电路故障可能是( )。
选项 A.插座短路 B.电热壶短路 C.AB间断路 D.CD间断路
答案 D
解析 电灯仍正常工作,说明A、c左边的火线、零线均正常;而把测电笔分别插入三孔插座的左右两孔.氖管均发光,说明火线正常,而零线出现断路现象,因此是CD间发生了断路。

相关内容:如图,居民,家中,某房,电路,电灯,电热,工作,接人,电饭煲,插头

猜你喜欢

发表评论
更多 网友评论0 条评论)
暂无评论

访问排行

Copyright © 2012-2014 恰考网 Inc. 保留所有权利。 Powered by tikuer.com

页面耗时0.0370秒, 内存占用1.05 MB, Cache:redis,访问数据库20次