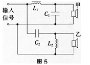
某音响电路的简化电路图如图5所示,输入信号既有高频成分,也有低频成分,则( )。 A.电感L1。的作用是通高频 B.电容C2的作用是通低频 ...

作者: tihaiku 人气: - 评论: 0
问题 某音响电路的简化电路图如图5所示,输入信号既有高频成分,也有低频成分,则( )。
选项 A.电感L1。的作用是通高频 B.电容C2的作用是通低频 C.扬声器甲用于输出高频成分 D.扬声器乙用于输出高频成分
答案 D
解析 根据电容器的特性(通交隔直,通高阻低)以及电感线圈的特性(通直阻交,通低阻高)来分析。电感L1的作用是通低频,阻高频,A项错误。电容C2的作用是通高频,阻低频,B项错误。电感L1,的作用是通低频,阻高频,而电容C1的作用是通高频,阻低频,所以低频部分通过扬声器甲,C项错误。电感L1的作用是通低频,阻高频,所以扬声器乙用于输出高频成分,D项正确。

相关内容:音响,电路,电路图,如图,5所示,信号,成分,电感,作用,电容

猜你喜欢

发表评论
更多 网友评论0 条评论)
暂无评论

访问排行

Copyright © 2012-2014 恰考网 Inc. 保留所有权利。 Powered by tikuer.com

页面耗时0.0662秒, 内存占用1.04 MB, Cache:redis,访问数据库17次