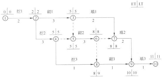
如图中挖3工序的最早开始时间和最早完成时间论述正确是()。 A、挖3工序最早在第5d后开始并且最早在第6d晚上结束 B、挖3工序最早在第5d早晨开...

作者: rantiku 人气: - 评论: 0
问题 如图中挖3工序的最早开始时间和最早完成时间论述正确是()。
选项 A、挖3工序最早在第5d后开始并且最早在第6d晚上结束 B、挖3工序最早在第5d早晨开始并且最早在第6d晚上结束 C、挖3工序最早在第5d后开始并且最早在第8d晚上结束 D、挖3工序最早在第5d早晨开始并且最早在第9d晚上结束
答案 A
解析 工序的最早开始时间在箭尾点的最早时间=5,是表示第5天后即第6天早晨,因为第一道工序的开始时间0则表示为第0天后即第1天早晨开始;工序最早完成不能用箭头点的参数,只能通过工序开始时间加持续时间计算求得,5+1=6,所以A正确。

猜你喜欢

发表评论
更多 网友评论0 条评论)
暂无评论

访问排行

Copyright © 2012-2014 恰考网 Inc. 保留所有权利。 Powered by tikuer.com

页面耗时0.0272秒, 内存占用1.03 MB, Cache:redis,访问数据库19次